A-SBT01
ANE
Alloy steel/Stainless steel
A-SBT01 Shear Beam load cell
Description
A-SBT01 shear beam load cell have good cost-effective, it is one end fixed, diverse loading and good seal structure, laser welding, self-centering, simple to install,easy to use and have good interchangeability. Alloy steel and stainless steel available.
Applications
Low profile platforms
Pallet truck weighing
Tank and silo weighing
Harsh environment weighing
Food industry weighing
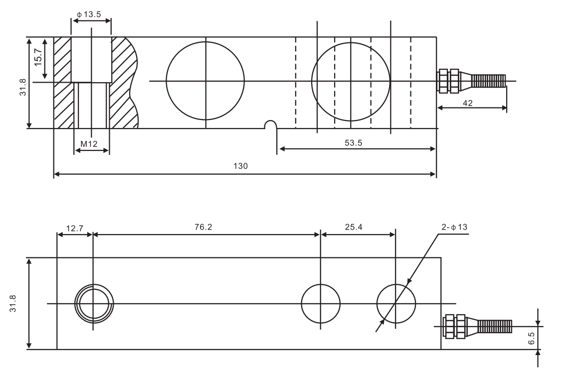
Main Dimensions and Accessories(mm)
250~2500kg
3~10 ton
Cap(t) | L | L1 | L2 | L3 | L4 | H/B | H1 | D1 | D2 | D3 |
3, 5 | 171.5 | 19 | 95.3 | 38.1 | 72.5 | 38.1 | 26 | Φ20 | M18 | Φ20 |
7.5~10 | 225.5 | 25.3 | 124 | 50.8 | 102 | 50.8 | 25.4 | Φ27 | M24 | Φ27 |
Specifications
Capacity | 0.25~10 ton | Zero balance | ±1%F.S |
Rated output | 2.0 mV/V or 3.0mV/V±0.1% | Input resistance | 400±20Ω |
Accuracy class | C3 | Output resistance | 350±5Ω |
Non-linearity | 0.02,0.05%F.S | Safe overload | 150%F.S |
Hysteresis | 0.02,0.05%F.S | Ultimate overload | 180%F.S |
Creep in 30 minutes | 0.02,0.05%F.S | Excitation voltage | 10V AC/DC |
Temperature effect span | 0.02%F.S/10℃ | Maximum excitation voltage | 15V AC/DC |
Temperature effect zero | 0.02%F.S/10℃ | Insulation resistance | ≥5000MΩ |
Compensated temperature range | -10~+40℃ | Environmental protection | IP67 |
Operating temperature range | -30~+70℃ | Material Alloy steel/Stainless steel | |
Capacity: 250;300;500;750;1000;1500; 2000;2500;3000; 5000; 7500; 10000kg Cable: 3~5m Wring: +Exc (Red); -Exc (Black); +Sig (Green); -Sig (White) | |||
A-SBT01 Shear Beam load cell
Description
A-SBT01 shear beam load cell have good cost-effective, it is one end fixed, diverse loading and good seal structure, laser welding, self-centering, simple to install,easy to use and have good interchangeability. Alloy steel and stainless steel available.
Applications
Low profile platforms
Pallet truck weighing
Tank and silo weighing
Harsh environment weighing
Food industry weighing
Main Dimensions and Accessories(mm)
250~2500kg
3~10 ton
Cap(t) | L | L1 | L2 | L3 | L4 | H/B | H1 | D1 | D2 | D3 |
3, 5 | 171.5 | 19 | 95.3 | 38.1 | 72.5 | 38.1 | 26 | Φ20 | M18 | Φ20 |
7.5~10 | 225.5 | 25.3 | 124 | 50.8 | 102 | 50.8 | 25.4 | Φ27 | M24 | Φ27 |
Specifications
Capacity | 0.25~10 ton | Zero balance | ±1%F.S |
Rated output | 2.0 mV/V or 3.0mV/V±0.1% | Input resistance | 400±20Ω |
Accuracy class | C3 | Output resistance | 350±5Ω |
Non-linearity | 0.02,0.05%F.S | Safe overload | 150%F.S |
Hysteresis | 0.02,0.05%F.S | Ultimate overload | 180%F.S |
Creep in 30 minutes | 0.02,0.05%F.S | Excitation voltage | 10V AC/DC |
Temperature effect span | 0.02%F.S/10℃ | Maximum excitation voltage | 15V AC/DC |
Temperature effect zero | 0.02%F.S/10℃ | Insulation resistance | ≥5000MΩ |
Compensated temperature range | -10~+40℃ | Environmental protection | IP67 |
Operating temperature range | -30~+70℃ | Material Alloy steel/Stainless steel | |
Capacity: 250;300;500;750;1000;1500; 2000;2500;3000; 5000; 7500; 10000kg Cable: 3~5m Wring: +Exc (Red); -Exc (Black); +Sig (Green); -Sig (White) | |||
No 618, Changxing Road,
Jiangbei district, Ningbo, China.
Phone: +86-13157411808
Tel: +86-574-25585209
WhatsApp: +86 13157411808
Skype: cai.wei@msn.com
Email: chris@nbane.com